Ваш город Москва

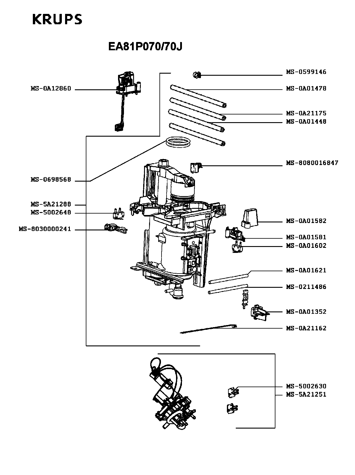
Запчасти для кофемашины Krups EA81P070/70J

Запчасти для Krups EA81P070/70J

Если вы не смогли найти интересующую Вас запчасть, свяжитесь с нами, мы постараемся помочь с подбором.
Код товара TWG000873409
-9%
2 030 руб. 1 840 руб.
Код товара TWG0001084181
-10%
310 руб. 280 руб.
Код товара TWG000873406
Уплотнитель  для  Krups EA81P070/70J
-24%
1 200 руб. 910 руб.
Код товара TWG000873405
Чистящее средство  для  Krups EA81P070/70J
-20%
2 400 руб. 1 920 руб.
Код товара TWG000873423
Емкость  для  Krups EA81P070/70J
-24%
4 870 руб. 3 710 руб.