Ваш город Москва

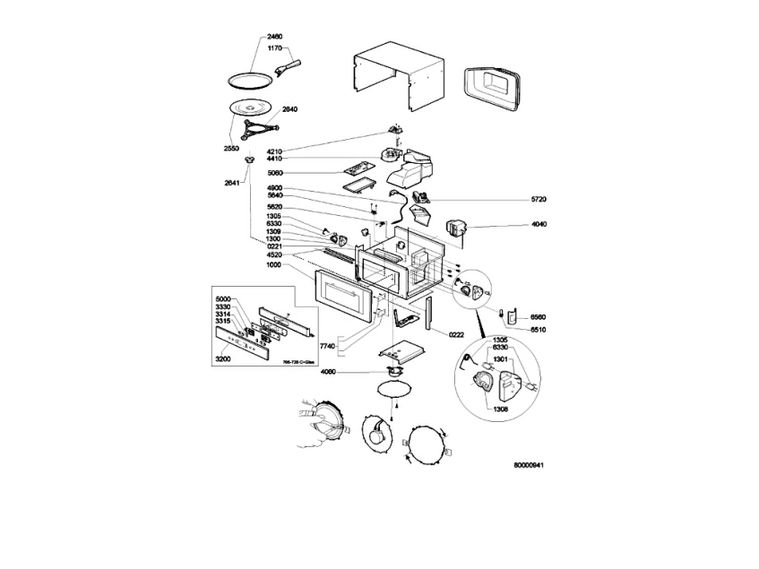
Запчасти для свч Whirlpool AMW735IX AQ947120000 (80000941)

Запчасти для Whirlpool AMW735IX AQ947120000 (80000941)

Если вы не смогли найти интересующую Вас запчасть, свяжитесь с нами, мы постараемся помочь с подбором.

Выбор модификации

Свернуть схему

Тип товара

Код товара TWG0001118041
Номер позиции 6510
Лампочка  для  Whirlpool AMW735IX AQ947120000
140 руб.